Address
304 North Cardinal
St. Dorchester Center, MA 02124
Work Hours
Monday to Friday: 7AM - 7PM
Weekend: 10AM - 5PM
Address
304 North Cardinal
St. Dorchester Center, MA 02124
Work Hours
Monday to Friday: 7AM - 7PM
Weekend: 10AM - 5PM
HP dag35dmbad0 notebook Won’t Turn On repair
Machine model: HP dag35dmbad0
Fault phenomenon: notebook Won’t Turn On
Maintenance process:
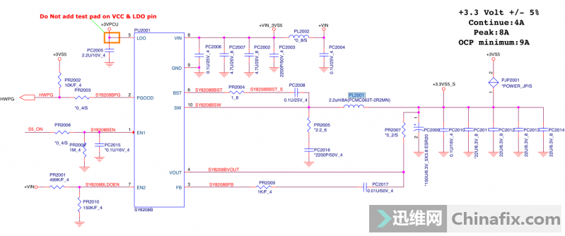
An HP dag35dmbad0 notebook, the fault is switch, a few seconds later auto power off, and then automatically power on, so repeatedly,auto power off after the power indicator light is off.Dismantle the machine, visually check that the main board is in good condition, and there is no abnormality when pressing diode value. The measured PL2001 does not have 3.3V, the measured value is 0.6V,VCC, pl6001 has 1.0V, and pl2004 has 5V. The problem is obvious.

HP dag35dmbad0 notebook Won’t Turn On repair Figure 1.
All working conditions are normal.Change the chip, and the result is the same.Continue to change Inductor Capacitor, can change all, the result is still the same, test conditions found, + 3vpcu and S5_On sometimes has a transient of 4V VCC, and then returns to normal.

HP dag35dmbad0 notebook Won’t Turn On repair Figure 2.
Swiping BIOS for EC failed.If the BIOS module is not installed, the power supply light is not on, but there are both 3 and 5 V, which indicates that the circuit is normal. If it is not easy to replace the EC, it will be replaced with the original one. The circuit works normally and the opening conditions are also available. Cut open the pjp2001 test point, and use DC power supply to supply 3.3V directly. After starting up, there is a little current on the meter, indicating that the later stage works normally. At this time, there is no output on Inductor, so cut off + 3vpcu,With DC power supply direct power supply, boot actually normal power on.DC power supply e c880v VCC is turned on repeatedly, it should be found that there is a problem DC power supply e VCC c1801 c1xt1 is turned off, and it should be found that there is a problem DC power supply e VCC c1801 is turned off. 
HP dag35dmbad0 notebook Won’t Turn On repair Figure 3.
After cutting the test point of + 5vs5, 3.3 finally comes out. Add 5V of DC power supply to the back end of + 5vs5, and measure + 3vpcu again. As expected, there is 4V power. 
HP dag35dmbad0 notebook Won’t Turn On repair Figure 4.
+5vs5 and + 3vpcu are the closest VCC. If this interface is removed directly, the fault still remains.When the + 3vpcu is powered on again after removing the EC, the + 3vpcu has no power supply. When the power supply of each EC pin is equivalent to 125 pin, a problem is found, and VCC has 4.several v.

HP dag35dmbad0 notebook Won’t Turn On repair Figure 5.

HP dag35dmbad0 notebook Won’t Turn On repair Figure 6.
Finally understand why + 5vs5 will be connected to + 3vpcu, EC is not damaged, normal booting up, function is normal, maintenance is over. 
HP dag35dmbad0 notebook Won’t Turn On repair Figure 7.

HP dag35dmbad0 notebook Won’t Turn On repair figure 8.