Address
304 North Cardinal
St. Dorchester Center, MA 02124
Work Hours
Monday to Friday: 7AM - 7PM
Weekend: 10AM - 5PM
Address
304 North Cardinal
St. Dorchester Center, MA 02124
Work Hours
Monday to Friday: 7AM - 7PM
Weekend: 10AM - 5PM

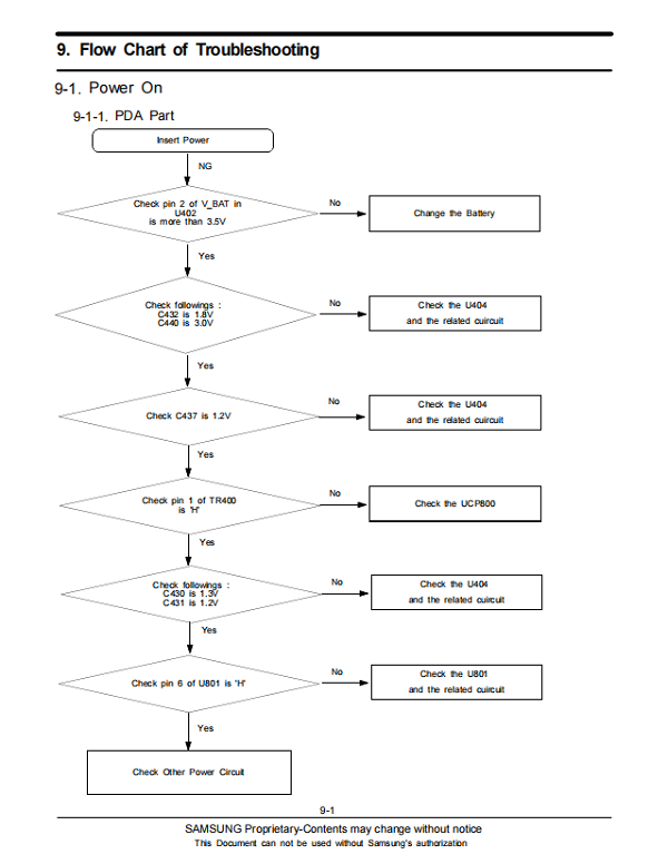
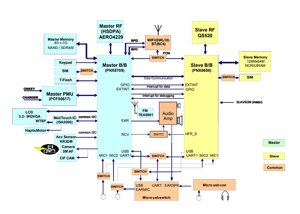
The Schematic, Circuit Diagram PDF file for Samsung S7568 original drawings. File info Pages: 50 Format: PDF File Size: 1.50MB Schematic Preview Samsung S7568 original drawings Download Download XinZhiZao maintenance software to view the full Samsung S7568 original drawings Schematic Diagram.

The Schematic, Circuit Diagram PDF file for Schematic diagram of glory Magic2. File info Pages: 75 Format: PDF File Size: 4.22MB Schematic Preview Schematic diagram of glory Magic2_0_split Download Download XinZhiZao maintenance software to view the full Schematic diagram of glory…

The Schematic, Circuit Diagram PDF file for Samsung W899 original drawings. File info Pages: 49 Format: PDF File Size: 9.58MB Schematic Preview Samsung W899 original drawings Download Download XinZhiZao maintenance software to view the full Samsung W899 original drawings Schematic Diagram.

The Schematic, Circuit Diagram PDF file for Frd-al10 (a100al00a) _ schematic diagram of main board _V1.0. File info Pages: 60 Format: PDF File Size: 1.46MB Schematic Preview Frd-al10 (a100al00a) _ schematic diagram of main board _V1.0. Download Download XinZhiZao maintenance software…

The Schematic, Circuit Diagram PDF file for Samsung GT-I 5700 Original Maintenance Drawings. File info Pages:63 Format: PDF File Size: 14.5MB Schematic Preview Samsung GT-I 5700 Original Maintenance Drawings_0_split Download Download XinZhiZao maintenance software to view the full Samsung GT-I 5700…

The Schematic, Circuit Diagram PDF file for Samsung W998 original drawings. File info Pages: 35 Format: PDF File Size: 3.56MB Schematic Preview Samsung W998 original drawings_0_split Download Download XinZhiZao maintenance software to view the full Samsung W998 original drawings Schematic Diagram.

The Schematic, Circuit Diagram PDF file for Columbia-AL10c Glory 10 Full Netcom Exclusive Edition 6G+128G Domestic Motherboard Schematic Diagram. File info Pages: 71 Format: PDF File Size: 1.18MB Schematic Preview Columbia-AL10c Glory 10 Full Netcom Exclusive Edition 6G+128G Domestic Motherboard…

The Schematic, Circuit Diagram PDF file for Samsung B7722 original drawings. File info Pages: 55 Format: PDF File Size: 11.20MB Schematic Preview Samsung B7722 original drawing Download Download XinZhiZao maintenance software to view the full Samsung B7722 original drawings Schematic Diagram.

The Schematic, Circuit Diagram PDF file for Schematic diagram of Huawei pad M3 Beethoven. File info Pages: 58 Format: PDF File Size: 988KB Schematic Preview Schematic diagram of Huawei pad M3 Beethoven Download Download XinZhiZao maintenance software to view the full…