Address
304 North Cardinal
St. Dorchester Center, MA 02124
Work Hours
Monday to Friday: 7AM - 7PM
Weekend: 10AM - 5PM
Address
304 North Cardinal
St. Dorchester Center, MA 02124
Work Hours
Monday to Friday: 7AM - 7PM
Weekend: 10AM - 5PM
Repair of ASUS fx86f notebook Won’t Turn On
Machine model: ASUS fx86f notebook
Fault phenomenon: notebook Won’t Turn On
Maintenance process:
A ASUS fx86f notebook computer, the fault is the notebook Won’t Turn On, take out the main board to measure, the current is 0.02-0.04, repeated current of change, except that the linear 3 / 5V is normal, the common point is normal, the others are all jumping, namely automatic switch-Current protection-automatic switch-Current protection.
In this case, the damage of c9404 is common failing, and the measurement is normal.

Maintenance drawing 1 of ASUS fx86f notebook Won’t Turn On
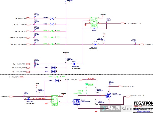
Open Xinzhizao Soft to find schematic, and measure that there is no Short circuit in Inductor,Switch, Hall element and all kinds of Capacitor.All kinds of pwrgd were normal.

Maintenance drawing 2 of ASUS fx86f notebook Won’t Turn On
Disconnect PM_Rsmrst ා, it doesn’t jump, but it can’t confirm the fault.Disconnect PM again_The current does not jump when susb / C ා.

ASUS fx86f notebook Won’t Turn On maintenance Figure 3
Check PM_VCC opened by susb.

ASUS fx86f notebook Won’t Turn On maintenance Figure 4
It was found that VCC in vccio group was abnormal.

ASUS fx86f notebook Won’t Turn On maintenance Figure 5
Other Inductor have VCC current of change, but there is no current of change in this Inductor above.This chip is MOSFET integrated, after removing it, power on to 0.15 does not jump, after repeated confirmation is apw8715 chip problem.
Replace the chip, power on test,Normally booting up, troubleshooting, maintenance is over.

Maintenance drawing 6 of ASUS fx86f notebook Won’t Turn On