Address
304 North Cardinal
St. Dorchester Center, MA 02124
Work Hours
Monday to Friday: 7AM - 7PM
Weekend: 10AM - 5PM
Address
304 North Cardinal
St. Dorchester Center, MA 02124
Work Hours
Monday to Friday: 7AM - 7PM
Weekend: 10AM - 5PM
MacBook A1466 laptop cannot be powered on for repaired
Machine model: MacBook A1466
Malfunction: Notebook Won’t Turn On
Maintenance process: It has been repaired elsewhere. When it comes, the fault is that the small green light of the power supply is on, and the power supply alone can turn orange, but the current can’t go up.
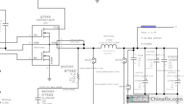
First of all, it is normal to test PP3V42_G3H VCC in the first step, and it is normal to test 3.3V standby VCC and S5_PWRGD.

MacBook A1466 laptop cannot be powered on for repaired Figure 1.

MacBook A1466 laptop cannot be powered on for repaired Figure 2.
Jump directly to PM_RSMRST, there is no test, just push forward, and there is no test for PP3V3_SUS.

MacBook A1466 laptop cannot be powered on for repaired Figure 3.

MacBook A1466 laptop cannot be powered on for repaired Figure 4.
Then check the source.

MacBook A1466 laptop cannot be powered on for repaired Figure 5.
There is no electricity here. This signal is generated after the CPU receives VCCDSW3_3 and DPWROK. This signal is not available. Everything in front is normal.diode value has tested more than 150. It should not be Inveracious Soldering or something. At one time, it was suspected that the CPU was dead.

MacBook A1466 laptop cannot be powered on for repaired Figure 6.
Later, after thinking about whether the conditions were not met, I started the test from the beginning, and found the problem.

MacBook A1466 laptop cannot be powered on for repaired Figure 7.
RSMRST is 0.8V,OMG.

MacBook A1466 laptop cannot be powered on for repaired Figure 8.

MacBook A1466 laptop cannot be powered on for repaired Figure 9.
That’s R1303 Open circuit, just go to short-circuit, and attach the booting up drawing.

MacBook A1466 laptop cannot be powered on for repaired Figure 10.