Lenovo X250 notebook computer Won’t Turn On repair

Lenovo X250 notebook computer Won't Turn On, detected is a small resistance problem, after replacement, the fault is repaired.

Lenovo X250 notebook computer Won’t Turn On repair

Machine model: Lenovo X250

Fault phenomenon: laptop Won’t Turn On, no power on, no current

Maintenance process: the common point VCC is disassembled and tested. When it is plugged in, it will slowly disappear after a while, sometimes it will drop to 0.8V, and there will be 3v5v at the moment of plug-in.

ThinkPad computer has a component called Lenovo chip. Today, it has been patched up in Xunwei online school. The online school is really detailed and can be read repeatedly.

Lenovo X250 notebook computer Won't Turn On repair

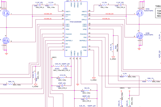
Lenovo X250 laptop Won’t Turn On repair Figure 1.

While watching and measuring, the conditions at the moment of power on were normal. Fortunately, it was finally solved. The reason was actually a small resistance (probably because the – pwrshutdown was low due to the detection of 5V under voltage by VCC after the chip was turned on, and there was no common point).Fault points and booting up diagram are attached below:

Lenovo X250 notebook computer Won't Turn On repair

Lenovo X250 laptop Won’t Turn On repair Figure 2.

Lenovo X250 notebook computer Won't Turn On repair

Lenovo X250 laptop Won’t Turn On repair Figure 3.

367;IMG_259

Lenovo X250 laptop Won’t Turn On repair Figure 4.

Plug back and forth to measure the VCC, 3V on Inductor can reach 3.4V, 5V is only 4.3v, it is not normal. After measuring the 35V chip condition, it is found that VCC unstable and 16 pin of 16 pin are abnormal.

A 100k resistor diode value has been rising again, but according to the drawing, it is a 3V FB pin resistor. After changing it, the 5V will be normal for 5.1V. Now it is on for seconds, and there is standby current for plug-in. It is not auto power off.

549;IMG_260

Lenovo X250 laptop Won’t Turn On repair Figure 5.

572;IMG_261

Lenovo X250 laptop Won’t Turn On repair Figure 6.