Address
304 North Cardinal
St. Dorchester Center, MA 02124
Work Hours
Monday to Friday: 7AM - 7PM
Weekend: 10AM - 5PM
Address
304 North Cardinal
St. Dorchester Center, MA 02124
Work Hours
Monday to Friday: 7AM - 7PM
Weekend: 10AM - 5PM
iPhone7 Won’t Turn On repair
Failure model: iPhone 7
Malfunction: iPhone7 and clothes are rinsed together for two hours and then taken out to get Won’t Turn On.
Fault analysis:mobileIt’s terrible. Full-board corrode. The customer said that you don’t need the mobile phone, but you need information.water damage machine is nothing more than Short circuit, burning the original. Fortunately, after the customer water damage, there is no mandatory power-on and charging.
Maintenance process:
When the customer brought the phone, there was still water in it, and it was dried for 8 hours. After drying, PP-VDD-Main Short circuit and The rosin smoke method were measured. After checking Short circuit, we didn’t repeat too much. After Short circuit was repaired,Short circuit and switch were normal, but the screen didn’t show it. After careful observation, there was no display, not backlight, and it was direct.

iPhone7 Won’t Turn On repair Figure 1.
As you can see in the figure,corrode under the display chip is very serious. After being cleaned and replaced, the result is still not displayed. It seems that it is not so simple. Let’s look at schematic which displays VCC.

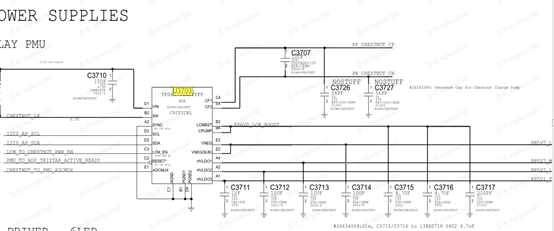
iPhone7 Won’t Turn On repair Figure2.
schematic shows that if the display works normally, it will output 5.1V 6.0V 5.7V -5.7V VCC.Connect the power supply startup measurement, which VCC mentioned above has none, that is to say, the display chip doesn’t work normally at all, so we will focus on checking the working conditions of the display chip.

iPhone7 Won’t Turn On repairr Figure3.
PMU _ to _ AOP _ tristar _ active _ ready and this reset signal is not only connected to the display chip, but also connected to the USB management chip, connected to the Connect the power supply source and CPU. It is possible that water damage causes the original connected with this signal to burn out, and it is directly removed to the USB chip. After the screen is turned on,Stuck on Apple logo is displayed normally, but it can’t get into the system. Because there is no USB chip installed, the USB chip is switched on after replacement.

iPhone7 Won’t Turn On repairr Figure4.
Repair result: Normal.

iPhone7 Won’t Turn On repairr Figure5.
It has entered the system normally, and the prompt is searching. It is estimated that the Baseband part still has a problem. The customer only needs the data, and the Baseband part doesn’t care about it. Just copy the data and repair it.