Address
304 North Cardinal
St. Dorchester Center, MA 02124
Work Hours
Monday to Friday: 7AM - 7PM
Weekend: 10AM - 5PM
Address
304 North Cardinal
St. Dorchester Center, MA 02124
Work Hours
Monday to Friday: 7AM - 7PM
Weekend: 10AM - 5PM
iPhone XS Max is flooded and cannot be started for repair
Machine model: iPhone XS Max
Fault phenomenon: mobile phone water damage can not be turned on
Maintenance process: disassembly found that the u3100 chip has been removed.

iPhone XS Max is flooded and cannot be started for repair Figure 1.
The motherboard is divided into layers, and it is not soldered well. It is directly separate.

iPhone XS Max is flooded and cannot be started for repair Figure 2.
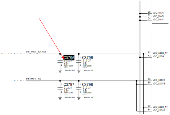
U3100 chip removed, handy measurement, found PP_VDD_BOOST shorted to ground.

iPhone XS Max is flooded and cannot be started for repair Figure 3.

iPhone XS Max is flooded and cannot be started for repair Figure 4.
The rosin smoke method Current heating test found PP_VDD_It is caused by c3795 filtering Capacitor shorted to ground on boost VCC.

iPhone XS Max is flooded and cannot be started for repair Figure 5.

iPhone XS Max is flooded and cannot be started for repair Figure 6.
The diode value on the ground returned to normal.

iPhone XS Max is flooded and cannot be started for repair Figure 7.

iPhone XS Max is flooded and cannot be started for repair figure 8.
Replace the u3100 chip, the motherboard welding, install the machine test, normal boot, reported that Face ID ID is not available,dot projector projector has traces of water damage corrode, other functions are normal.

iPhone XS Max is flooded and cannot be started for repair Figure 10.

iPhone XS Max mobile phone water damage can not start troubleshooting Figure 11.