Address
304 North Cardinal
St. Dorchester Center, MA 02124
Work Hours
Monday to Friday: 7AM - 7PM
Weekend: 10AM - 5PM
Address
304 North Cardinal
St. Dorchester Center, MA 02124
Work Hours
Monday to Friday: 7AM - 7PM
Weekend: 10AM - 5PM
iPhone 8 cannot be charged for repaired
Machine model: iPhone 8
Malfunction: The water has been repaired, and now the mobile phone can’t be charged.

iPhone 8 cannot be charged for repaired Figure 1.
Maintenance: the charger has no charging icon, but the charging DC power supply shows 250 mA.

iPhone 8 cannot be charged for repaired Figure 2.
There is no charging icon, and there is no battery power display. After disassembling, we can see that the water damage area has been processed.

iPhone 8 cannot be charged for repaired Figure Figure 3.

iPhone 8 cannot be charged for repaired Figure 4.
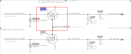
Clean the water damage area and the repaired area again, and check that the ground diode value of battery BTB connector is normal. After careful investigation again, it was found that one pin of Q3200 MOSFET was already corrode.

iPhone 8 cannot be charged for repaired Figure 5.
SMD REWORK STATION removed Q3200 Q3201 and found that 1 pin bit of Q3200 had been broken by corrode.

iPhone 8 cannot be charged for repaired Figure 6.
Turn on Xinzhizao Soft, 1 pin of Q3200 is this MOSFET PP1V8_S2 VCC, which causes q3200 to fail to work normally, and the battery data cannot be identified.

iPhone 8 cannot be charged for repaired Figure 7.

iPhone 8 cannot be charged for repaired Figure 8.
The 2 pin and 3 pin of Short circuit Q3200 and Q3201, respectively, are directly turned on without being controlled by two MOSFET.

iPhone 8 cannot be charged for repaired Figure 9.
Installation test, can identify the battery data, charging with battery icon, charging current is normal, function is normal, and maintenance is finished.

iPhone 8 cannot be charged for repaired Figure 10.
The fault is that q3200 MOSFET VCC pin water damage corrode is broken, and battery data is not recognized, which leads to no charging.