Address
304 North Cardinal
St. Dorchester Center, MA 02124
Work Hours
Monday to Friday: 7AM - 7PM
Weekend: 10AM - 5PM
Address
304 North Cardinal
St. Dorchester Center, MA 02124
Work Hours
Monday to Friday: 7AM - 7PM
Weekend: 10AM - 5PM
iPhone 6s Plus phone has no signal repair
Machine model: iPhone 6s Plus
Malfunction: There is no signal on the mobile phone.
Fault analysis: 6s and 6s Plus models WTR3925 and power amplifier are easy to break down.
Maintenance process: there is no signal in the boot test, and some operators have IMEI, which means that the control circuit of Baseband is basically normal, and all cards failed to search without signal, mainly considering the public parts,IF and ANT Switch.

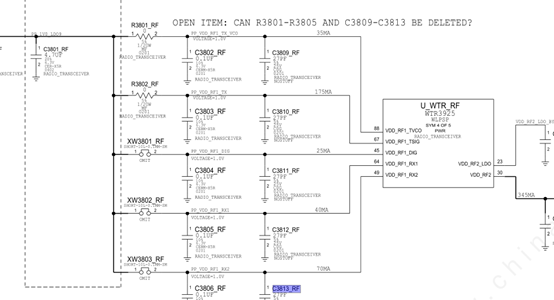
iPhone 6s Plus phone has no signal repair Figure 1.
There is no trace of water damage in the visual inspection of disassembly, and it should have been dropped. IF WTR3925 has been replaced at home, and the power supply of Baseband and the peripheral circuits of IF have probably been tested, and no abnormality has been found.
Since IF was moved last time, whether this IF is good or not, we must change it to make sure. After removing IF, by the way, when measuring the periphery, I found that Capacitor of C3813_RF had no value.

iPhone 6s Plus phone has no signal repair Figure 2.
This looks like it should be for IF VCC. It shouldn’t be worthless. The opening point is the same as schematic.

iPhone 6s Plus phone has no signal repair Figure 3.

iPhone 6s Plus phone has no signal repair Figure 4.
Then the problem is obvious. IF VCC can’t work because of disconnection, so there is no signal. Find the nearest place Jump wire.

iPhone 6s Plus phone has no signal repair Figure 5.
Put IF back on, start the test, the signal is normal, and the maintenance is over.

iPhone 6s Plus phone has no signal repair Figure 6.