Address
304 North Cardinal
St. Dorchester Center, MA 02124
Work Hours
Monday to Friday: 7AM - 7PM
Weekend: 10AM - 5PM
Address
304 North Cardinal
St. Dorchester Center, MA 02124
Work Hours
Monday to Friday: 7AM - 7PM
Weekend: 10AM - 5PM
iPhone 6s backlight boosting electric inductance caused black screen without reaction repair
Machine model: iPhone 6s
Fault phenomenon: the mobile phone no display doesn’t respond
Maintenance process: the no display will be on for a short time after it is turned on. After a few days of repair, it will be no display immediately after entering the system after the Hang Logo(white apple)is turned on, and the same is true after forced restart.

iPhone 6s backlight boosting electric inductance caused black screen without reaction repair Figure 1.
After entering the system, the charger can hear the prompt sound.

iPhone 6s backlight boosting electric inductance caused black screen without reaction repair Figure 2.
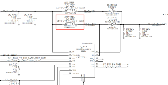
Under strong light, it can be clearly seen that the screen has a display, so the fault is judged as mobile phone There is no backlight after entering the system. It is likely that the boost voltage is not enough. After removing the motherboard, it is found that the CPU shielding cover has been passively passed.

iPhone 6s backlight boosting electric inductance caused black screen without reaction repair Figure 3.
Remove the CPU shielding cover and find that the backlight circuit has been repaired before the mobile phone.

iPhone 6s backlight boosting electric inductance caused black screen without reaction repair Figure 4.
It was found that the colleague made a very basic mistake before. The l4020 energy storage boost Inductor of backlight circuit was replaced with ordinary small energy storage Inductor. Because the customer accidentally adjusts the brightness to the brightest, the backlight will be on when the system is turned on. However, after entering the system, the l4020 Inductor can not bear the high brightness, and VCC causes the dark screen.So just replace the same specification of Inductor.

iPhone 6s backlight boosting electric inductance caused black screen without reaction repair Figure 5.

iPhone 6s backlight boosting electric inductance caused black screen without reaction repair Figure 6.
Start up test everything is normal, this maintenance is over.

iPhone 6s backlight boosting electric inductance caused black screen without reaction repair Figure 7.