Address
304 North Cardinal
St. Dorchester Center, MA 02124
Work Hours
Monday to Friday: 7AM - 7PM
Weekend: 10AM - 5PM
Address
304 North Cardinal
St. Dorchester Center, MA 02124
Work Hours
Monday to Friday: 7AM - 7PM
Weekend: 10AM - 5PM
After Huawei Glory 9X mobile phone enters the water, WiFi can’t open the fault repair.
There is a resistor corrosion on the motherboard, so directly remove the corrosion resistor and make a short circuit. After power-on test, the mobile phone WiFi can be turned on normally and the fault can be repaired.
Machine model: Huawei Glory 9X mobile phone
Fault phenomenon: WiFi can’t be turned on after the phone is flooded.
Maintenance process:
The customer described that the mobile phone had accidentally fallen into the bucket, and the mobile phone had entered the water, so the WiFi could not be opened.

After Huawei Glory 9X mobile phone enters the water, WiFi can’t be opened. Troubleshooting Figure 1
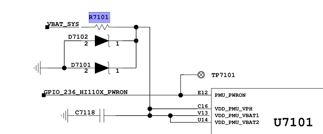
Dismantling found that a resistor on the motherboard was corroded. The resistance values at both ends of the resistor are measured, and it is found that there is a big difference between them.

After Huawei Glory 9X mobile phone enters the water, WiFi can’t open the fault. Maintenance Figure 2
Open Xinzhi software, and compare it with the point map, and find that this is a safety resistor.
After Huawei Glory 9X mobile phone enters the water, WiFi can’t open the fault. Maintenance Figure 3

After Huawei Glory 9X mobile phone enters the water, WiFi can’t open the fault. Maintenance Figure 4
Remove the corrosion resistance directly and make short circuit.

After Huawei Glory 9X mobile phone enters the water, WiFi can’t open the fault. Maintenance Figure 5
After the power-on test, the mobile phone WiFi can be turned on normally, the fault is repaired, and the maintenance is over.

After Huawei Glory 9X mobile phone enters the water, WiFi can’t open the fault. Maintenance Figure 6