Address
304 North Cardinal
St. Dorchester Center, MA 02124
Work Hours
Monday to Friday: 7AM - 7PM
Weekend: 10AM - 5PM
Address
304 North Cardinal
St. Dorchester Center, MA 02124
Work Hours
Monday to Friday: 7AM - 7PM
Weekend: 10AM - 5PM
iPhone 6 black ties cause screen failure repair
Machine model: iPhone 6
Malfunction: the screen of or so mobile phone fails after being used for one minute.

iPhone 6 black ties cause screen failure repair Figure 1.
Fault analysis: For this kind of fault, only when the touch is completely out of order can it be repaired.
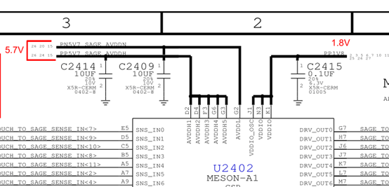
Maintenance process: measure 5.1 and 1.8 VCC and BCM5976C1 plus or minus 5.7 and 1.8 VCC conditions of 343S0694 when the touch completely fails.

iPhone 6 black ties cause mobile phone screen failure repair Figure 2.

iPhone 6 black ties cause mobile phone screen failure repair Figure 3.
All measurements are normal. According to experience,BCM5976C1 is likely to be damaged. After removing BCM5976C1 and processing PAD, it is found that pad break off already exists.

iPhone 6 black ties cause mobile phone screen failure repair Figure 4.
Check that all the dots found in Boardview are empty dots, and replace them with a BCM5976C1 chip directly. After testing, the touch function is stable and the maintenance is finished.

iPhone 6 black ties cause mobile phone screen failure repair Figure 5.