Address
304 North Cardinal
St. Dorchester Center, MA 02124
Work Hours
Monday to Friday: 7AM - 7PM
Weekend: 10AM - 5PM
Address
304 North Cardinal
St. Dorchester Center, MA 02124
Work Hours
Monday to Friday: 7AM - 7PM
Weekend: 10AM - 5PM
Dell’s DELL VOSTRO 14-5468 notebook is not turned on for repair
The charging indicator is not on. Focus on detecting isolation circuit and charging circuit. Measured along the circuit towards the power interface, it is found that one side of MOS transistor PQ741 has a voltage of 19V and the other side has only 5V. After replacing PQ741, the voltage at the common point is normal, and the voltages of 3V and 5V also come out. The machine was successfully repaired.
Machine model: Dell DELL VOSTRO 14-5468
Symptoms: DELL VOSTRO 14-5468 does not start for maintenance. Connect the power supply, press the power button, and the machine has no response; Install the battery, press the power button, and the machine has no response; Connect the power supply, install the battery, press the power button, the machine has no response and the charging indicator is not bright.

Dell DELL VOSTRO 14-5468 Notebook Maintenance without Booting Figure 1
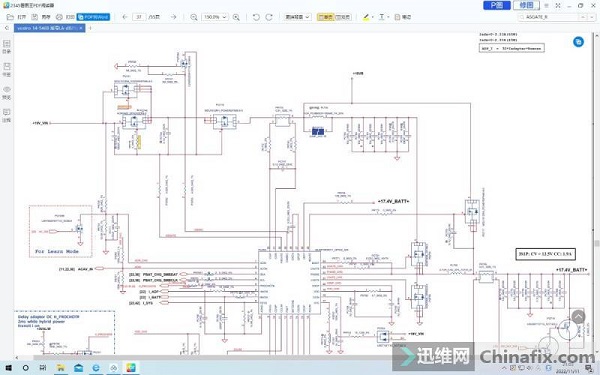
Fault analysis: When the machine is connected to the power supply and the battery is installed, the charging indicator does not light up. Generally, the isolation circuit and charging circuit are mainly detected.

Dell DELL VOSTRO 14-5468 Notebook Maintenance without Booting Figure 2
Maintenance process:
Disassemble the machine, take out the motherboard, measure the resistance of the common point without power supply, and find that the resistance is normal; Then the resistance of each inductor is measured, and the resistance of the inductor is also normal.
When there is no obvious short circuit on the motherboard, connect the power supply and measure the voltage. It is found that the machine has neither 3V nor 5V voltage. Measure the common point, and there is no voltage at the common point. Measured along the circuit towards the power interface, it is found that one side of MOS transistor PQ741 has a voltage of 19V and the other side has only 5V. After replacing PQ741, the voltage at the common point is normal, and the voltages of 3V and 5V also come out. The machine was successfully repaired.

Dell DELL VOSTRO 14-5468 Notebook Maintenance without Booting Figure 3
The machine can be turned on normally, running normally and charging normally.