MacBook A1502 serious water damage boot sound without screen repair

MacBook A1502 serious water damage boot sound no screen, master a line to solve directly.

MacBook A1502 serious water damage boot sound without screen repair

Machine model: MacBook A1502

Fault phenomenon: serious water damage power on, there is no sound screen

Maintenance process: a glass of water from the keyboard into Won’t Turn On, no sound, no image.The keyboard is basically useless, dismantle the machine for cleaning, and brush large current as a whole, remove Short circuit,Capacitor is not short.

Install the motherboard and connect the screen with the familiar boot sound, but the screen does not display screen is black or frozen, the case switch is normal, the basic judgment display problem, ask the customer screen does not water damage, temporarily ruled out.

MacBook A1502 serious water damage boot sound without screen repair

MacBook A1502 serious water damage boot sound no screen repair Figure 1.

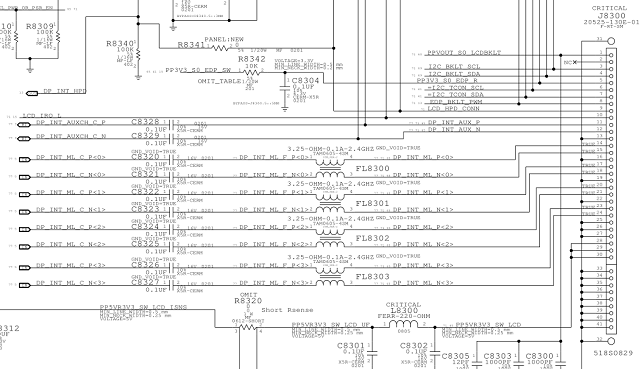
J8300 check 5282930, no VCC, found that the input of u8310 pin is normal, en is not open, so there is no output.

MacBook A1502 serious water damage boot sound without screen repair

MacBook A1502 serious water damage boot sound no screen repair Figure 2.

Check 30 again, touch the u8300 and find the same situation, en is not open, two open points to a door 8330 at the same time.

MacBook A1502 serious water damage boot sound without screen repair

MacBook A1502 serious water damage boot sound no screen repair Figure 3.

388;IMG_259

MacBook A1502 serious water damage boot sound no screen repair Figure 4.

415;IMG_260

MacBook A1502 serious water damage boot sound no screen repair Figure 5.

442;IMG_261

MacBook A1502 serious water damage boot sound no screen repair Figure 6.

And then coated with Solder Mask, boot all normal, attached booting up diagram.

491;IMG_262

MacBook A1502 serious water damage boot sound no screen repair Figure 7.