Address
304 North Cardinal
St. Dorchester Center, MA 02124
Work Hours
Monday to Friday: 7AM - 7PM
Weekend: 10AM - 5PM
Address
304 North Cardinal
St. Dorchester Center, MA 02124
Work Hours
Monday to Friday: 7AM - 7PM
Weekend: 10AM - 5PM
Acer V3-551G notebook into the water cannot be turned on
Machine model: Acer V3-551G
Malfunction: Notebook water damage Won’t Turn On
Maintenance process: disassemble the machine, carefully observe and find that it enters the battery charging circuit, and clean it.

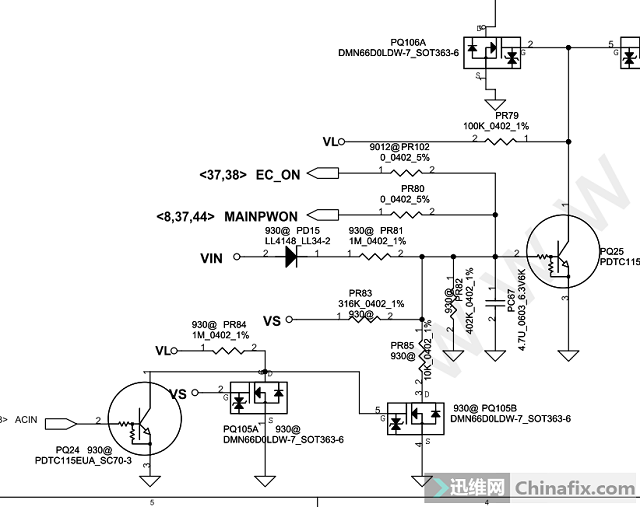
Acer V3-551G notebook into the water cannot be turned on Figure 1.

Acer V3-551G notebook into the water cannot be turned on Figure 2.
Measure that VCC has no 3V5V, check the conditions of RT8205l, the voltage division of EN pin through the resistor 19V is normal, and there is no signal of 1 and 6x pin entrip. Check that this signal has something to do with ACIN.

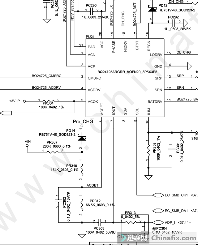
Acer V3-551G notebook into the water cannot be turned on Figure 3.
ACIN is sent by bq225a again. Focus on checking water damage BQ25A, and repeatedly cleaning to make up the broken corrode. No output is detected by measuring BQ25A 5 pin, ACIN is to be output, and 6 pin ACDET is normal. Test 6 pin without VCC, the original PR307 280K resistor corrode is broken, and test diode value OverLoad.
Acer V3-551G notebook into the water cannot be turned on Figure 4.
Check ACDET condition is greater than 2.4V but less than 3.1V, find a Lenovo motherboard with BQ25A, voltage divider resistance is 390K, macro motherboard is 280K+154K, then divide voltage with 66.5K, remove direct connection from 154K, change PR07 to 390K, and once calculated, the voltage divider is 2.7V, which meets the requirements.

Acer V3-551G notebook into the water cannot be turned on Figure 5.

Acer V3-551G notebook into the water cannot be turned on Figure 6.
Ok, test again, ACIN output 3.2V is normal, startup is normal, power on, and maintenance is over.

Acer V3-551G notebook into the water cannot be turned on Figure 7.