Address
304 North Cardinal
St. Dorchester Center, MA 02124
Work Hours
Monday to Friday: 7AM - 7PM
Weekend: 10AM - 5PM
Address
304 North Cardinal
St. Dorchester Center, MA 02124
Work Hours
Monday to Friday: 7AM - 7PM
Weekend: 10AM - 5PM


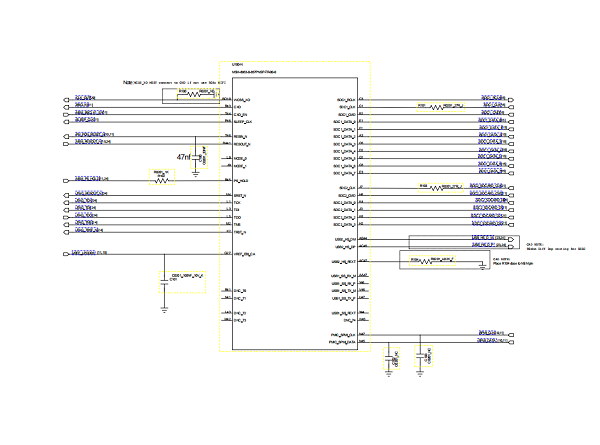
The Schematic, Circuit Diagram PDF file for Schematic diagram of Huawei note10 motherboard. File info Pages: 79 Format: PDF File Size: 2.88MB Schematic Preview Schematic diagram of Huawei note10 motherboard Download Download XinZhiZao maintenance software to view the full Schematic diagram…

The Schematic, Circuit Diagram PDF file for Samsung I9502 original drawings. File info Pages: 90 Format: PDF File Size: 26MB Schematic Preview Samsung I9502 original drawings Download Download XinZhiZao maintenance software to view the full Samsung I9502 original drawings.

The Schematic, Circuit Diagram PDF file for redmi note 4x C6_MB_SCH_V3.0_20160928_1933. File info Pages: 34 Format: PDF File Size: 6.04MB Schematic Preview redmi note 4x C6_MB_SCH_V3.0_20160928_1933 Download Download XinZhiZao maintenance software to view the full redmi note 4x C6_MB_SCH_V3.0_20160928_1933 Schematic Diagram.

The Schematic, Circuit Diagram PDF file for Maintenance schematic diagram of glory V10 motherboard. File info Pages: 79 Format: PDF File Size: 15.50MB Schematic Preview Maintenance schematic diagram of glory V10 motherboard. Download Download XinZhiZao maintenance software to view the full…

The Schematic, Circuit Diagram PDF file for SAMSUNG GT-i6320 original maintenance drawings. File info Pages: 49 Format: PDF File Size: 14.30MB Schematic Preview SAMSUNG GT-i6320 original maintenance drawings Download Download XinZhiZao maintenance software to view the full SAMSUNG GT-i6320 original maintenance…

The Schematic, Circuit Diagram PDF file for Samsung W899 original drawings. File info Pages: 49 Format: PDF File Size: 9.58MB Schematic Preview Samsung W899 original drawings Download Download XinZhiZao maintenance software to view the full Samsung W899 original drawings Schematic Diagram.

The Schematic, Circuit Diagram PDF file for Glory 8X Max (Ares)_ circuit schematic _MB_V9 (motherboard). File info Pages: 41 Format: PDF File Size:9.93MB Schematic Preview Glory 8X Max (Ares)_ circuit schematic _MB_V9 (motherboard) Download Download XinZhiZao maintenance software to view the…

The Schematic, Circuit Diagram PDF file for Samsung W999 original drawings. File info Pages: 35 Format: PDF File Size: 3.58MB Schematic Preview Samsung W999 original drawings Download Download XinZhiZao maintenance software to view the full Samsung W999 original drawings Schematic Diagram.