Address
304 North Cardinal
St. Dorchester Center, MA 02124
Work Hours
Monday to Friday: 7AM - 7PM
Weekend: 10AM - 5PM
Address
304 North Cardinal
St. Dorchester Center, MA 02124
Work Hours
Monday to Friday: 7AM - 7PM
Weekend: 10AM - 5PM
OPPO R17 Pro Bluetooth can’t be opened for repair
Failure model: OPPO R17 Pro
Fault symptom: the machine is Fall hard. After the no booting is repaired by the redo kit, the wifi is normal, the Bluetooth can’t be turned on, and the wifi chip has been replaced.

OPPO R17 Pro Bluetooth can’t be opened for repair Figure 1.
Fault analysis:
Since WiFi can be turned on for normal use, it means that the WiFi chip VCC is normal and the communication between WiFi and CPU is normal, so there is something wrong with the communication between BT and CPU.
Maintenance process:
First, let’s look at the WiFi chip number WCN3990.

OPPO R17 Pro Bluetooth can’t be opened for repair Figure 2.

OPPO R17 Pro Bluetooth can’t be opened for repair Figure 3.

OPPO R17 Pro Bluetooth can’t be opened for repair Figure 4.
This WiFi model is the same as Xiaomi 8. Open Xiaomi 8 schematic in Xinzhizao Soft drawing for reference.

OPPO R17 Pro Bluetooth can’t be opened for repair Figure 5.
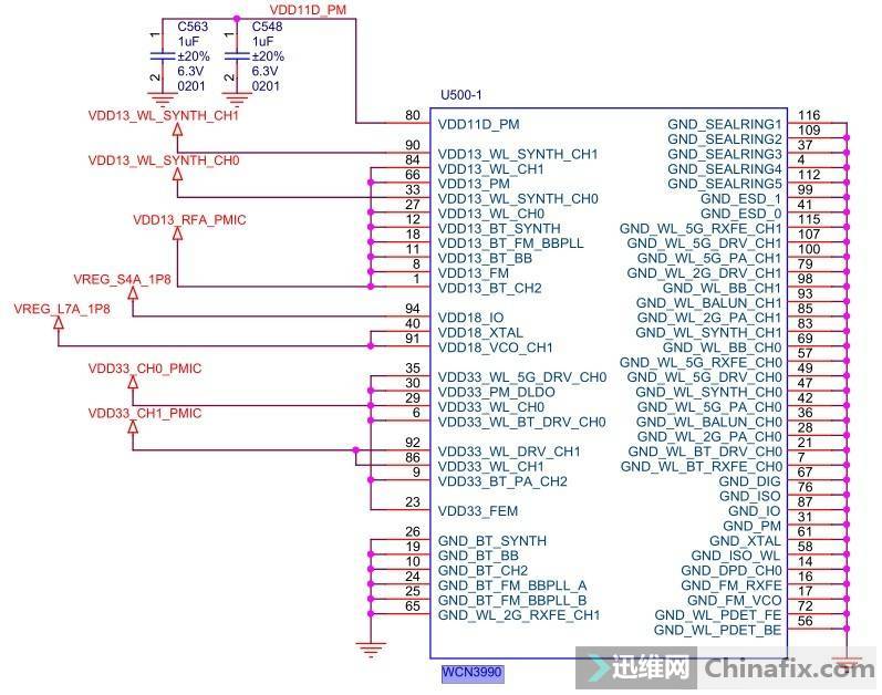
The drawing divides WiFi chip u500 into three pages, and the first page is VCC, so we don’t need to consider it.

OPPO R17 Pro Bluetooth can’t be opened for repair Figure 6.
Related circuit with WL at the beginning of the second page is basically a circuit for communication between WiFi and CPU, so it is not necessary to consider it, and the Related circuit of BT should be specially checked.

OPPO R17 Pro Bluetooth can’t be opened for repair Figure 7.
Test BT independent Related circuit for diode value first.

OPPO R17 Pro Bluetooth can’t be opened for repair Figure 8.
It was found that the No.104 pin diode value Ol that went through to the cpu, the kit was made, so the CPU Inveracious Soldering was excluded.

OPPO R17 Pro Bluetooth can’t be opened for repairFigure 9.
Therefore, there is a disconnection in the middle, and there is a point in the routing of PCB layer.

OPPO R17 Pro Bluetooth can’t be opened for repair Figure 10.
Bone curettage Jump wire.

OPPO R17 Pro Bluetooth can’t be opened for repair Figure 11.
Maintenance result:
Boot test, perfect repair.

OPPO R17 Pro Bluetooth can’t be opened for repair Figure 12.