Address
304 North Cardinal
St. Dorchester Center, MA 02124
Work Hours
Monday to Friday: 7AM - 7PM
Weekend: 10AM - 5PM
Address
304 North Cardinal
St. Dorchester Center, MA 02124
Work Hours
Monday to Friday: 7AM - 7PM
Weekend: 10AM - 5PM
iPhone6 Plus phone screen display is abnormal repair
Machine model: iPhone6 Plus
Malfunction: the screen display of the mobile phone is abnormal, and the fingerprint unlocking fails.
Maintenance process: The broken machine is usually caused by broken wire or damaged core. The screen display of the test mobile phone is not normal,fingerprint can be turned on, but fingerprint information cannot be admitted.

iPhone6 Plus phone screen display is abnormal repair figure 1.
Fault 1: The screen display of the mobile phone is abnormal.
Xt9811 6 Plus is different from iPhone 6th generation. There are two backlit VCC, and one of them is abnormal, so it will look like the above picture. Remove the motherboard and measure Measuring diode value on the display BTB connector. When PP_LCM_BL_ANODE_CONN (backlit VCC)diode value is measured, it is 246 lower.

iPhone6 Plus phone screen display is abnormal repair figure 2.

iPhone6 Plus phone screen display is abnormal repair Figure 3.

iPhone6 Plus phone screen display is abnormal repair figure 4.
According to schematic, we know that VCC is provided by u1502 (backlit VCC chip). The low value indicates that u1502 is damaged. It is normal to take VCC down and measure it again. It is still a little dark in the upper left corner when it is replaced by a new one.

iPhone6 Plus phone screen display is abnormal repair figure 5.
This situation indicates that the booster VCC is insufficient.schematic knows that U1580 (backlight chip) outputs VCC to display Fuse through VCC Inductor FL2044. U1502 (backlight chip) outputs VCC Inductor FL2024 to display Fuse, which can be connected by two VCC Inductor Jump wire.

iPhone6 Plus phone screen display is abnormal repair figure 6.

iPhone6 Plus phone screen display is abnormal repair figure 7.

iPhone6 Plus phone screen display is abnormal repair figure 8.

iPhone6 Plus phone screen display is abnormal repair figure 9.

iPhone6 Plus phone screen display is abnormal repair figure 10.
Fault: Unable to admit fingerprint information
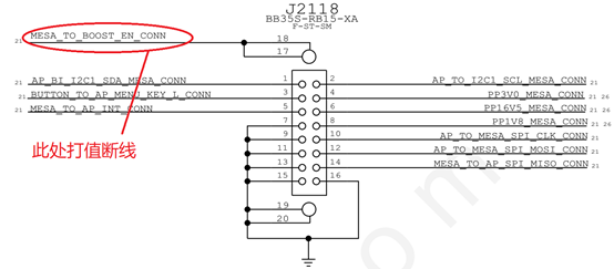
diode value the HOME key BTB connector diode value, and discover that MESA_TO_BOOST_EN_CONN(fingerprint boost on) is disconnected.

iPhone6 Plus phone screen display is abnormal repair figure 11.

iPhone6 Plus phone screen display is abnormal repair figure 12.
Fortunately, after a resistor to boost chip, when the backlight Inductor was flying, the resistor Inveracious Soldering was loosened, and the resistor was repaired by machine.

iPhone6 Plus phone screen display is abnormal repair figure 13.