Address
304 North Cardinal
St. Dorchester Center, MA 02124
Work Hours
Monday to Friday: 7AM - 7PM
Weekend: 10AM - 5PM
Address
304 North Cardinal
St. Dorchester Center, MA 02124
Work Hours
Monday to Friday: 7AM - 7PM
Weekend: 10AM - 5PM
iPhone X Face ID id is unavailable and not charged for repair
Machine model: iPhone X
Malfunction:Face ID id is unavailable and not charged.
The charger can listen to music without charging charging connector, and even the wireless charging of Connect the power supply brain can only be charged to 80%. After changing the screen, there is no Face ID recognition.

iPhone X Face ID id is unavailable and not charged for repair Figure 1.
Fault analysis: Wireless charging can charge up to 80%, but wired charging can’t connect to the computer, which may be caused by a problem with the charging circuit. There is no Face ID after changing the screen. It may be that earpiece FPC is broken.
Maintenance process: it can be charged by wireless charging, but it is not fully charged. Wired charging has no response directly. Without charging icon, you can connect Connect the power supply brain.

iPhone X Face ID id is unavailable and not charged for repair Figure 2.

iPhone X Face ID id is unavailable and not charged for repair Figure 3.
First, remove Accessories, and the replacement failure is still the same. Dismantle the main board separate, and observe under the microscope that the charging Inductor has broken.

iPhone X Face ID id is unavailable and not charged for repair Figure 4.
Directly disassemble auto power off and replace it.

iPhone X Face ID id is unavailable and not charged for repair Figure 5.
After replacing Inductor, the test on the test rack found that there was still no charging reaction.

iPhone X Face ID id is unavailable and not charged for repair Figure 6.
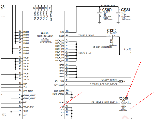
You can connect the Connect the power supply brain to prove that the USB chip is fine, and the fault may lie in the charging chip. The replacement of the charging chip U3300 still fails. Unpack the chip and hit PAD to ground diode value, and find A4 pin bit PP_VBUS1_E75_RVP_R to ground OverLoad.

iPhone X Face ID id is unavailable and not charged for repair Figure 7.

iPhone X Face ID id is unavailable and not charged for repair Figure 8.
This signal is connected to USB chip U6300 through resistor R3360. Measure Diode value is normal with the other end of R3360 facing the ground.

iPhone X Face ID id is unavailable and not charged for repair Figure 9.
diode value, which measured the resistance, found that it became 14.97 kOhm, and the resistance became larger, resulting in abnormal signal.

iPhone X Face ID id is unavailable and not charged for repair Figure 10.
Pick it out and replace it with a good 10 ohm resistor.

iPhone X Face ID id is unavailable and not charged for repair Figure 11.

iPhone X Face ID id is unavailable and not charged for repair Figure 12.
Test on the test rack, the charging returns to normal, and the motherboard is followed by welding. The installed Face ID can’t be used, and it is found that earpiece FPC is broken during the inspection.

iPhone X Face ID id is unavailable and not charged for repair Figure 13.
Directly replace earpiece FPC, and move earpiece FPC which is too good for distance sensing module and environmental sensing module, otherwise Face ID will be repaired, and the earpiece function will not work.

iPhone X Face ID id is unavailable and not charged for repair Figure 14.
After installation,Face ID returned to normal, charging returned to normal, and maintenance ended.

iPhone X Face ID id is unavailable and not charged for repair Figure 15.

iPhone X Face ID id is unavailable and not charged for repair Figure 16.
The fault is that Inductor is damaged during charging, and R3360 resistor is damaged, which leads to no charging, and earpiece FPC is broken, which leads to no Face ID.