Address
304 North Cardinal
St. Dorchester Center, MA 02124
Work Hours
Monday to Friday: 7AM - 7PM
Weekend: 10AM - 5PM
Address
304 North Cardinal
St. Dorchester Center, MA 02124
Work Hours
Monday to Friday: 7AM - 7PM
Weekend: 10AM - 5PM
iPhone 7 is flooded and cannot be started for repair
Machine model: iPhone 7
Malfunction: The mobile phone water damage can’t be turned on.
Fault analysis:mobileThe whole board corrode, the information is very important.water damage machine is nothing more than Short circuit, burning the original.
Maintenance process: there is still water in the cell phone to dry for 8 hours. After drying, measure PP-VDD-Main Short circuit and The rosin smoke method to check Short circuit.
switch and current change are normal after Short circuit is repaired, but the screen is not displayed. After careful observation, there is no display, not no backlight. Replace the display VCC chip directly.

iPhone 7 is flooded and cannot be started for repair Figure 1.
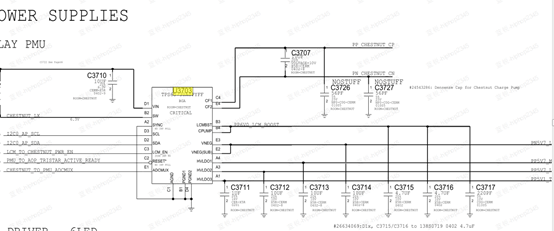
As can be seen in the figure, the corrode under the display chip is very serious. Clean and replace, and the result is still not displayed. See the work of VCC schematic:

iPhone 7 is flooded and cannot be started for repair Figure 2.
If the display works normally, it will output 5.1V6.0V 5.7V-5.7V VCC and Connect the power supply startup measurement. None of those VCC mentioned above, that is to say, the display chip doesn’t work normally at all, so we will focus on the working conditions of the display chip.

iPhone 7 is flooded and cannot be started for repair Figure 3.
PMU _ to _ AOP _ tristar _ active _ ready and the reset signal is not only connected to the display chip, but also connected to the USB management chip, connected to Connect the power supply source and CPU. It is possible that water damage causes the original connected with this signal to burn out.
The Stuck on Apple logo can be displayed normally after being directly removed to the USB chip and turned on, but the system cannot be accessed. Because there is no USB chip installed,Keep data is successful when the USB chip is replaced and the system is turned on normally.

iPhone 7 is flooded and cannot be started for repair Figure 4.

iPhone 7 is flooded and cannot be started for repair Figure 5.
It has entered the system normally, and the prompt is searching. It is estimated that there is still something wrong with Baseband. The customer only needs the information, and the repair is completed.