Address
304 North Cardinal
St. Dorchester Center, MA 02124
Work Hours
Monday to Friday: 7AM - 7PM
Weekend: 10AM - 5PM
Address
304 North Cardinal
St. Dorchester Center, MA 02124
Work Hours
Monday to Friday: 7AM - 7PM
Weekend: 10AM - 5PM
HP da0r13mb6e1 notebook not out of 3v5v maintenance
HP machine model: r10be1
Fault phenomenon: the notebook does not output 3v5v
Maintenance process:
HP da0r13mb6e1 notebook does not output 3v5v, you can first try to replace the stable Capacitor, and then replace the chip.The following is the rerouting process.
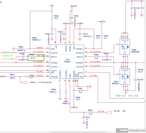
As the other pin definitions of rt8223 and 51125a are almost the same, only the working conditions of the 4th pin tonsel and the 14th pin skipsel are different, so it is only necessary to change the working conditions of the two pin.
Take HP da0r13mb6e1 notebook as an example.

HP da0r13mb6e1 notebook does not output 3v5v maintenance Figure 1
Compared with the 4th pin tonsel and the 14th pin skipsel, it was found that the working conditions in some places were different. The 4th pin and the 14th pin of rt8223 were disconnected from the main board.I cut it directly with a blade.

HP da0r13mb6e1 notebook does not output 3v5v maintenance Figure 2

HP da0r13mb6e1 notebook does not output 3v5v maintenance Figure 3
Observe 51125a signal.

HP da0r13mb6e1 notebook does not output 3v5v maintenance Figure 4

HP da0r13mb6e1 notebook does not output 3v5v maintenance Figure 5
The figure above shows the connection of 4 pin and 8 pin after being disconnected from the main board.

HP da0r13mb6e1 notebook does not output 3v5v maintenance Figure 6

HP da0r13mb6e1 notebook does not output 3v5v maintenance Figure 7
The above figure shows the connection of 14 pin and 3 pin that have been disconnected from the motherboard.Connect the 4th pin and the 8th pin, and connect the 14th pin and the 3rd pin.Before connecting, pay attention to whether the 4th pin and the 14th pin are completely disconnected from the circuit.As shown in the figure below.

HP 3v13ve1 does not produce maintenance drawings
If the line is not changed, the standby chip will be on the high side.The above is the full tutorial.