Address
304 North Cardinal
St. Dorchester Center, MA 02124
Work Hours
Monday to Friday: 7AM - 7PM
Weekend: 10AM - 5PM
Address
304 North Cardinal
St. Dorchester Center, MA 02124
Work Hours
Monday to Friday: 7AM - 7PM
Weekend: 10AM - 5PM
Haier mechanic t90-t notebook no booting repair
Machine model: Haier mechanic t90-t
Mainboard version number: gj5cnxx
Fault phenomenon: notebook no booting
Maintenance process:
Received a Haier mechanic t90-t notebook computer, fault description notebook no booting, this machine is Previously repaired.
The power-on current is 0.36A auto power off, and the same is true when it is turned on again. This is common failing. Looking at the motherboard, I found that only Repeat welding showed VCC alone.

Haier mechanic T90-T notebook no booting repair figure 1.
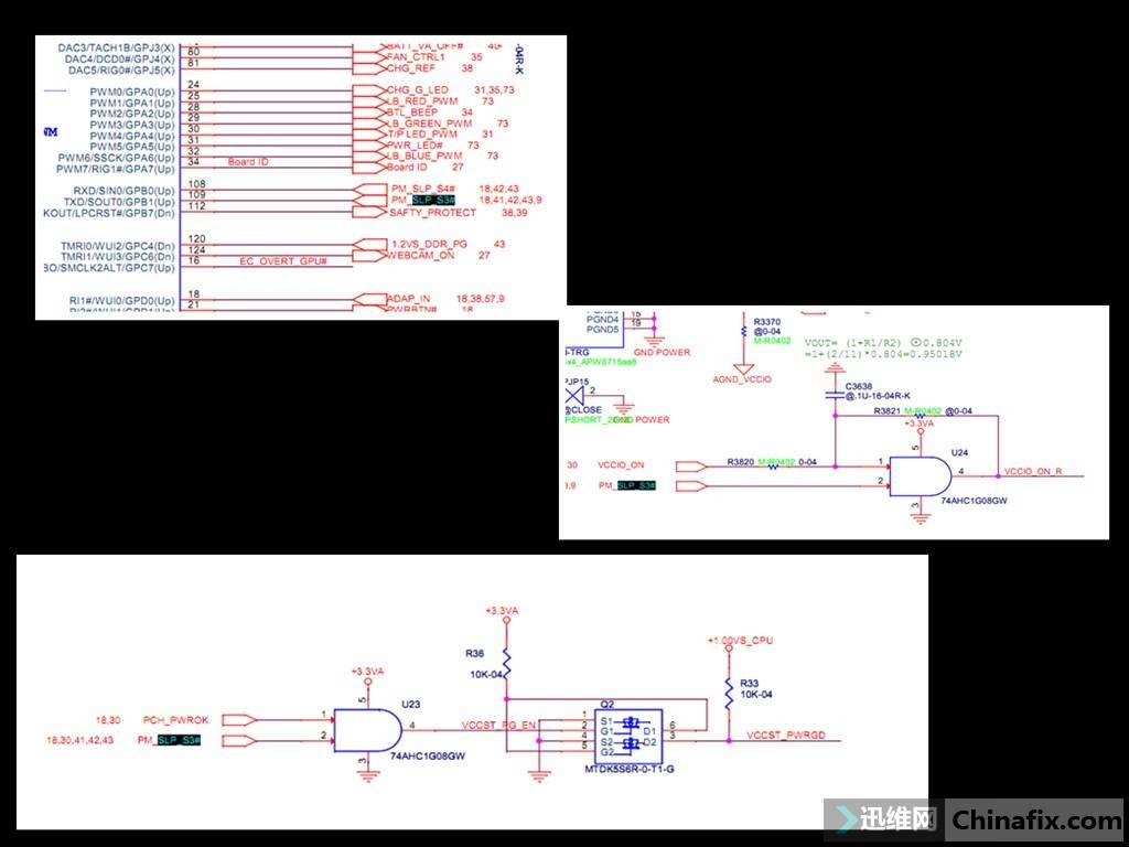
The motherboard standby 5V 3.3V 1.8V 1.0V is normal in boot test, and the graphics card core of 2.5V 1.2V is 0.85V and the video memory is 0.8V in boot test. When VCCIO finds that there is no VCC, the ON-chasing signal finds that S3# and VCCIO_ON are turned on after U24 phase. The measured SLP_S3# has no VCC.

Haier mechanic T90-T notebook no booting repair figure 2.
Ex pin bit is tilted, and there is no VCC in the test, and there is no SLP_S4# found in the map survey, but there is a difference between the real object and PDF data.

Haier mechanic T90-T notebook no booting repair figure 3.
It was found that the problem was directed at the South Bridge, and the conditions of the South Bridge were all normal. Dismantle the south bridge chip, and find the same fault. Disassemble the South Bridge again, and test all the important conditions of the South Bridge through other point diagrams, and find that there is no problem. Put another piece on it again, and it still fails.
It is suspected that PCB layer short-circuit current caused it. Dismantle the bridge, find the nearest point of S3# S4# signal output to disconnect it, then put the bridge back on and start the test again, and the failure is still the same.

Haier mechanic T90-T notebook no booting repair figure 4.
Finally, replace it with a brand-new original Nanqiao chip, and the boot is normal. With ME configured, the system test functions are all normal.

Haier mechanic T90-T notebook no booting repair figure 5.