Address
304 North Cardinal
St. Dorchester Center, MA 02124
Work Hours
Monday to Friday: 7AM - 7PM
Weekend: 10AM - 5PM
Address
304 North Cardinal
St. Dorchester Center, MA 02124
Work Hours
Monday to Friday: 7AM - 7PM
Weekend: 10AM - 5PM
Gigabyte GA-Z87P-D3 No reset Power down Restart repair
Gigabyte GA-Z87P-D3 did not reset and restarted after power failure. The power supply line was replaced and the BIOS was brushed. The boot test was normal.
Machine model: Gigabyte GA-Z87P-D3 REV1.0
Fault phenomenon: no reset, power failure and restart.

Gigabyte GA-Z87P-D3 No reset Power down Restart repair Figure 1.

Gigabyte GA-Z87P-D3 No reset Power down Restart repair Figure 2.
Maintenance process: 1. After getting the machine, check that the CPU power supply is normal at about 1.7V, and check N_ PCH_ VRMPWRGD 3.3V is normal.

Gigabyte GA-Z87P-D3 No reset Power down Restart repair Figure 3.

Gigabyte GA-Z87P-D3 No reset Power down Restart repair Figure 4.
2. Check N_ DRAM_ PWROK 1.05V is normal.

Gigabyte GA-Z87P-D3 No reset Power down Restart repair Figure 5.

Gigabyte GA-Z87P-D3 No reset Power down Restart repair Figure 6.
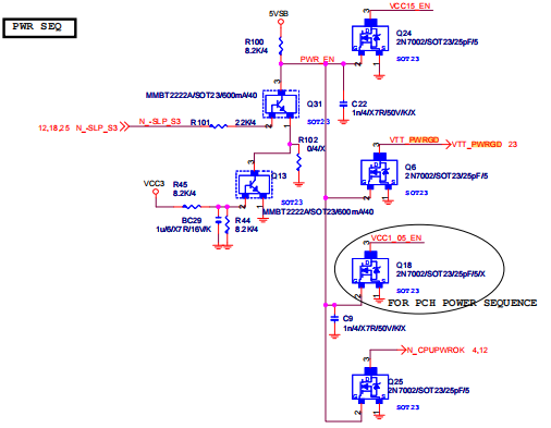
3. Check Q25 3-pin N_ CPUPWROK 0V is abnormal, judge that the bridge power supply is abnormal, and check VCC1_ 5_ PCH 1.5V and VCC1_ 05_ PCH 1.05V voltage output is normal.

Gigabyte GA-Z87P-D3 No reset Power down Restart repair Figure 7.

Gigabyte GA-Z87P-D3 No reset Power down Restart repair Figure 8.
(The measured voltage at pin Q6 3 is VTT_PWRGD, and the left side is Q25)

Gigabyte GA-Z87P-D3 No reset Power down Restart repair Figure 9.

Gigabyte GA-Z87P-D3 No reset Power down Restart repair Figure 10.