Address
304 North Cardinal
St. Dorchester Center, MA 02124
Work Hours
Monday to Friday: 7AM - 7PM
Weekend: 10AM - 5PM
Address
304 North Cardinal
St. Dorchester Center, MA 02124
Work Hours
Monday to Friday: 7AM - 7PM
Weekend: 10AM - 5PM
GeForce gtx750-2gd5 graphics card does not display when it is turned on
Graphics card model: GeForce gtx750-2gd5
Fault phenomenon: the display card does not display when it is turned on
Maintenance process:
A seven rainbow netcar GeForce gtx750-2gd5 graphics card, the fault is boot does not display.When connected to DC power supply 12V, the current is only 0.080a or so. There is no core VCC and video memory VCC.

GeForce gtx750-2gd5 graphics card does not display when starting up Figure 1.

GeForce gtx750-2gd5 graphics card does not display when starting up Figure 2.
Test core VCC and video memory VCC are 0V.

GeForce gtx750-2gd5 graphics card does not display when starting up Figure 3.
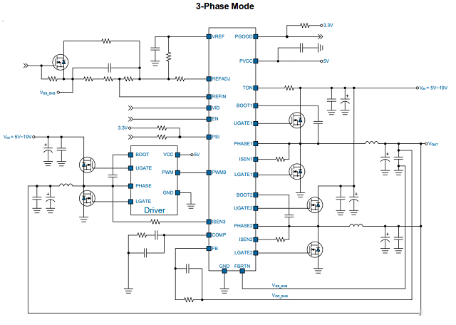
VCC e core pci073.073 pci073 is turned on, the core pci073 is turned on first, and then the core pci073 is turned on.After running line test, it was found that up1642p did not work. Up1642p pin defined and applied schematic:1

GeForce gtx750-2gd5 graphics card does not display when starting up Figure 4.

GeForce gtx750-2gd5 graphics card does not display when starting up Figure 5.

GeForce gtx750-2gd5 graphics card does not display when starting up Figure 6.

GeForce gtx750-2gd5 graphics card does not display when starting up Figure 7.
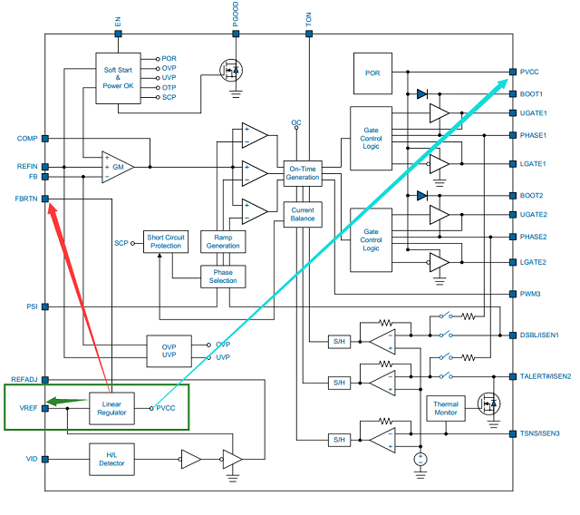
From the above information, up1642 needs VCC,EN and a benchmark VCC input to work.First test that VCC,VCC,pin,pin,VCC, 5V are normal, turn on pin 3,pin 3.3V high level, and the opening condition is normal.Reference input pin 7 pin 5V, abnormal.In the internal block diagram of up1642,FB VCC is compared with the reference input VCC, and the core of gm107 is between 0.7V and 1.1V,When the core VCC reaches 5V, it must be broken. When the core VCC reaches 5V, the ground value of VCC is 5 Ω, indicating that up1642 has no wrong output of 5V VCC.
It is known from schematic that the reference input VCC of 7 pin is completed by the reference output of 8 pin and the reference adjustment VCC of 6 pin. Both 8 pin and 6 pin VCC are 5 v.The reference output of 8 pin is 2V VCC provided by IC. It is suspected that up1642 is out of order.Replace the chip, 8 pin reference or 5V.
According to the PDF data of up1642, it is found in the internal block diagram of up1642 that the reference output unit circuit is connected to VCC 21 pin(PVCC) reference output pin 8 pin of IC and 10 pin(fbrtn).

GeForce gtx750-2gd5 graphics card does not display when starting up Figure 8.
Check the definition table of pin, and the pin needs to be connected to the GND of the output VCC to be adjusted.The ground value of 10 pin is more than 4K. It is found that 10 pin passes through the via to the back and then through the via to the front. After two resistors, it is connected to the reference input pin 7 pin, and there is no broken wire in the middle.Find the up1642 practical application schematic:

GeForce gtx750-2gd5 graphics card does not display when starting up Figure 9.
As expected, there are some differences between the arrow places, and the lines are connected.Start running line, find the resistance of this small diode value is optional.Jump wire to the ground, the back found a 10 pin routing perigee,short-circuit.

GeForce gtx750-2gd5 graphics card does not display when starting up Figure 10.
Connect Header to open and adjust 12V, current up to 0.335a, measure core VCC 0.98v, test display memory VCC 1.5V, and then test the reference output pin 8 pin VCC 2V of up1642, and reference input pin 7 pin VCC 0.98v.It’s all normal.Test run of main engine,Normally booting up, troubleshooting.