Address
304 North Cardinal
St. Dorchester Center, MA 02124
Work Hours
Monday to Friday: 7AM - 7PM
Weekend: 10AM - 5PM
Address
304 North Cardinal
St. Dorchester Center, MA 02124
Work Hours
Monday to Friday: 7AM - 7PM
Weekend: 10AM - 5PM
ASUS ZX60VD laptop does not respond to repair after startup
ASUS ZX60VD laptop boot did not respond, replace the pr8901 fault repair.
Model : ASUS ZX60VD
Fault phenomenon: plug in 0.009 and press Switch, there is no response
Maintenance process: it was brought by peers. The power supply was tested with multimeter and the output voltage was 19v. The power supply should not be broken.Colleagues take away the power supply and leave bare machine.The machine was disassembled for inspection, and there was no obvious visible fault such as water damage Oxygenation.
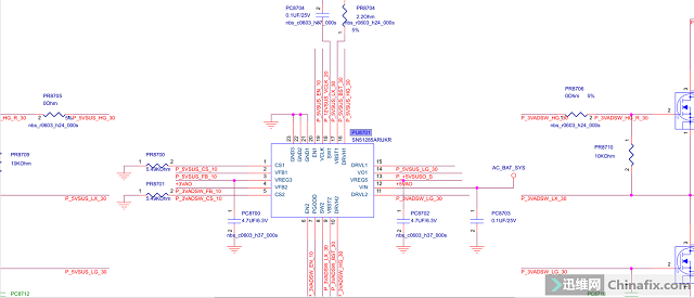
Measuring diode value, common point is normal,Current protection isolation tube test is normal, 3v5v is normal, power measurement common point 19v is normal,Current protection isolation tube g pole voltage rise is normal, 3v5v has no output, and VCC does not need to be measured.Find the standby chip, open Xinzhizao Soft to find the drawing, point and component distribution diagram, and check the working conditions of the standby chip.

ASUS ZX60VD laptop does not respond to repair after startup Figure 1.

ASUS ZX60VD laptop does not respond to repair after startup Figure 2.

ASUS ZX60VD laptop does not respond to repair after startup Figure 3.
12 pin 19v is normal, 3 pin vreg3 is normal, 13 pin vreg5 is not abnormal, only a pc8702 Capacitor is connected, is this Capacitor broken?After changing the auto power off capacity, the standby VCC and vreg5 still did not exist. After removing the Capacitor, we found that vreg5 was available. We were happy to power on no power on.
And measured the standby 3V 1A few volts, 5V is also 1A few volts. Get ready to change the chip.Another look at the standby chip is sn51285a. There is no such chip in hand. There is no substitute chip for this chip after searching the forum. Suddenly, it is a flash of light that the pin definition of this chip is very similar to the definition of a chip that is often used. Yes, it is 51225c.

ASUS ZX60VD laptop does not respond to repair after startup Figure4.
The definition of pin is exactly the same as that of pin. It can be replaced by tps51225c for sn51285a, because the chip has not been removed after repairing, and the test is normal).
After the power on measurement vreg3 is normal, vreg is also normal. It is normal to add 5V to Capacitor connected with vreg5, and there is no output when measuring 3v5v standby.When measuring 3v5v single waveform with oscilloscope, there is output, indicating that the standby chip is OK, and the output will be turned off.
After a while, I continued to study. During this period, I saw the experience of the great gods in the forum, and found a similar ASUS power on diagram drawn by the great God, which was inspired.

ASUS ZX60VD laptop does not respond to repair after startup Figure5.
After looking at this diagram, it should be that the conditions of EC are not met. If you look at the actual EC drawing, it is encapsulated in BGA Rework Station, and it is difficult to check without pin. So we use SMD REWORK STATION to heat the EC, which is really effective. There is output in standby, but it will not be available for a while, and then it will be heated again.
Inveracious Soldering t day after the test, the C2801 was installed again. The second day, the Inveracious Soldering was installed again.
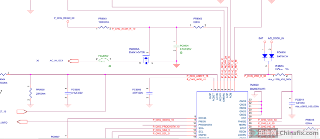
Reset the EC and start the machine. Do you think that the heating can start up due to the bad components near the EC?If you look at the power on block diagram provided by the God above, you can see a signal AC_IN_OC ා low level is effective.Power on the motherboard to measure this signal,Boardview display is next to EC, measured 3.3V, this is wrong.
Impression of EC conditions are not met, can not get this signal,Current protection isolation, but it!Why is Current protection isolated?N tube isolation tube g pole boost is normal, continue to check AC_IN_OC ා source.

ASUS ZX60VD laptop does not respond to repair after startup Figure 6.
From the charging chip sn2867, we don’t look like 24780s, yes, the real object is 24780s.In order to output acok chip, acdet must meet the conditions, and acdet2 is measured58V is normal.

ASUS ZX60VD laptop does not respond to repair after startup Figure 7.
Now, acok is connected to pq8905a through a 0 ohm resistor. It would be troublesome to remove the pq8905a. I raised my hand and measured the resistance of pr8901 100k, which was 2A few meters, immediately replace, plug in boot has been smooth switch booting up.
The G pole of pq8905a was measuredA few volts, AC_IN_OC ා is pulled down smoothly. When EC receives this signal, the standby VCC comes out.