Address
304 North Cardinal
St. Dorchester Center, MA 02124
Work Hours
Monday to Friday: 7AM - 7PM
Weekend: 10AM - 5PM
Address
304 North Cardinal
St. Dorchester Center, MA 02124
Work Hours
Monday to Friday: 7AM - 7PM
Weekend: 10AM - 5PM
ASUS K43SV power on 0.16 laptop not booting repair
Machine model: ASUS K43SV

ASUS K43SV power on 0.16 laptop not booting repair Figure 1.

ASUS K43SV power on 0.16 laptop not booting repair Figure 2.
Plate No.: k43sv

ASUS K43SV power on 0.16 laptop not booting repair Figure 3.
Fault phenomenon:switch power on to 0.16, notebook no booting.

ASUS K43SV power on 0.16 laptop not booting repair Figure 4.
Maintenance process: after dismantling the machine, it was found that there was a little water in the main control chip of VCC, and the fault remained unchanged after treatment.Inductor and Inductor were detected.
Because of the water from the VCC, first measure the conditions of the main control chip of the graphics card VCC.We can’t see the definition of pin on the Boardview. We can only find the data manual of the main control chip. It is found that there is no VCC in VCC pin.
If according to the previous maintenance, the VCC pin source will be traced step by step, but this Boardview does not have the definition of pin, which is very inconvenient to trace. You can directly test the secondary VCC.It is found that the standby 3v5v secondary VCC is faulty, control pole 0V, and trace the source.

ASUS K43SV power on 0.16 laptop not booting repair Figure 5.

ASUS K43SV power on 0.16 laptop not booting repair figure 6.

ASUS K43SV power on 0.16 laptop not booting repair figure Figure 7.
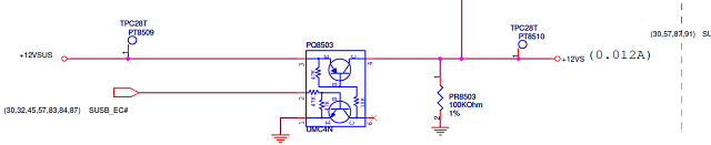
I have encountered difficulties here. I don’t know how the pin of MOSFET works. I’d like to refer to an ASUS drawing directly.

ASUS K43SV power on 0.16 laptop not booting repair figure 8.

ASUS K43SV power on 0.16 laptop not booting repair Figure 9.
2 pin 3.3V, 1 pin GND, 5 pin 12V, 4 pin 0V were measured.3 pin 4 pin is on when the condition is satisfied, but it is not. It is normally turned on after replacing a MOSFET directly.

ASUS K43SV power on 0.16 laptop not booting repair figure 10.

ASUS K43SV power on 0.16 laptop not booting repair Figure 11.