Address
304 North Cardinal
St. Dorchester Center, MA 02124
Work Hours
Monday to Friday: 7AM - 7PM
Weekend: 10AM - 5PM
Address
304 North Cardinal
St. Dorchester Center, MA 02124
Work Hours
Monday to Friday: 7AM - 7PM
Weekend: 10AM - 5PM
ASUS FX86F notebook can’t be started for repair
Asustek FX86F notebook can’t be turned on. In this case, the damage of C9404 is a common problem. After repeated confirmation, it is the problem of APW8715 chip. Replace the good chip, power on and test it, and turn it on perfectly.
Machine model: ASUS FX86F notebook
Symptoms: The notebook can’t be turned on.
Maintenance process:
An ASUS FX86F notebook computer, the fault is that the notebook can’t be turned on, disassembled, and the motherboard is taken out for measurement. The current jumps repeatedly from 0.02 to 0.04, except that the linear 3/5V common point is normal, all others are jumping, that is, automatic trigger-protection-automatic trigger-protection.
In this case, the damage of C9404 is a common fault, and the measurement is normal.

ASUS FX86F notebook can’t be started for maintenance Figure 1
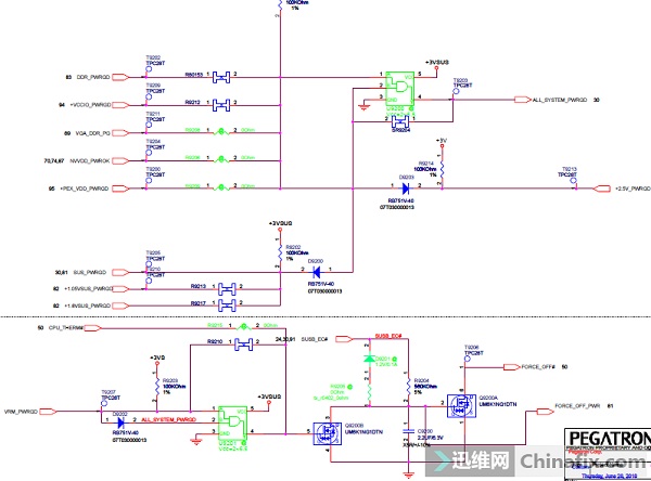
Open Xinzhizao to find the schematic diagram, and measure that there is no short circuit in each inductor, switch, Hall element and various capacitors. It is also normal to measure various PWRGD.

ASUS FX86F notebook can’t be started for maintenance Figure 2
Disconnect PM_RSMRST# and stop jumping, but the fault cannot be determined. When PM_SUSB/C# is disconnected again, the current will not jump.

ASUS FX86F notebook can’t be started for maintenance Figure 3
Check the power supply turned on by PM_SUSB.

ASUS FX86F notebook can’t be started for maintenance Figure 4
It is found that the power supply of VCCIO group is abnormal.

ASUS FX86F notebook can’t be started for maintenance Figure 5
All other inductors have voltage jumps, but there is no jump in this inductor in the above picture. This chip is an integrated MOS tube. After being removed, it will not jump when it is powered up to 0.15. After repeated confirmation, it is the problem of APW8715 chip.
Replace the good chip, power on and start the test, turn on the machine perfectly, troubleshoot, and the maintenance is over.

ASUS FX86F notebook can’t be started for maintenance Figure 6