Address
304 North Cardinal
St. Dorchester Center, MA 02124
Work Hours
Monday to Friday: 7AM - 7PM
Weekend: 10AM - 5PM
Address
304 North Cardinal
St. Dorchester Center, MA 02124
Work Hours
Monday to Friday: 7AM - 7PM
Weekend: 10AM - 5PM
Apple A1502 notebook screen does not show repair
Machine model: Apple A1502
Fault phenomenon: the notebook screen does not display, and the screen is dark.
Maintenance process:
The machine has the sound of Apple’s boot, and the screen is not displayed. I thought it must be a spike, and I didn’t take any photos, so I slapped my face. It’s no problem to measure the screen with other machines. After disassembling the machine, Q7701 was found to have traces of water, and it was replaced directly. I thought it was done, but the failure of screen connection test was still the same. I suspected that U7700 was also broken, and the failure was still the same. I have to check it carefully this time.

Apple A1502 notebook screen does not display maintenance figure 1.
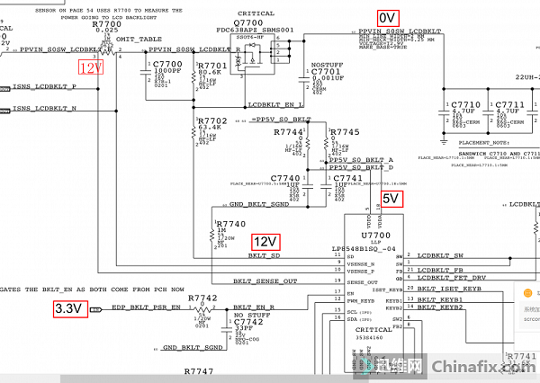
The backlight power supply name of Apple A1502 is PPVOUT_S0_LCDBKLT. Since it is a dark screen, there is definitely no power supply.

Apple A1502 notebook screen does not display maintenance figure 2.
The chip’s power supply 5V and EDP_BKLT_EN backlight turn-on signal are normal, and the basic working conditions of the chip are normal. However, the P-channel stadium Q7700 is always non-conductive and the G-level is always 12V. According to the working principle of the chip, the power supply 5V is normal, and the current-detecting resistor R7700 detects the main voltage and current of the booster circuit. The chip pulls down the BKLT_SD signal through 11 pins to make Q7700 turn on, and then passes through EDP _.
However, the BKLT_SD signal of pin 11 just didn’t pull low, and the chip itself was suspected to be faulty, so another one was changed, and the fault remained. At first, the components connected to the chip were measured, and the resistance values were normal, and no problems were found. After disassembling one of the same model, it was found that the voltages of R7720 and R7721 were abnormal.

Apple A1502 notebook screen does not display maintenance figure 3.
These two signals lead to the keyboard backlight interface, but I didn’t expect it to affect the screen display. Under normal circumstances, the voltage measured by connecting the screen is 0.2V, but there are more than 1V faulty machines. Decisively, it was finally fixed and the machine was successfully turned on.