Apple a1502 notebook cannot be powered on for repair

Apple A1502 notebook Won't Turn On, a glass of water enters from the keyboard,Won't Turn On, no sound, no image, emergency solution here.

Apple a1502 notebook cannot be powered on for repair

Machine model: apple A1502

Malfunction: Notebook Won’t Turn On

An A1502 serious water damage machine, a glass of water from the keyboard,Won’t Turn On, no sound, no image.

Maintenance process:

Disassemble and clean the machine, basically brush it all over again,large current, disassemble Short circuit Capacitor, it’s not short. Hear the boot sound, install the motherboard, and connect the screen. The familiar boot sound duang, but there is no display on the screen,screen is black or frozen. The case switching is normal, basically judging the display problem, asking the customer in detail whether the screen has water damage, and temporarily ruling it out. Look at the picture.

Apple a1502 notebook cannot be powered on for repair
Apple a1502 notebook cannot be powered on for repair Figure 1.

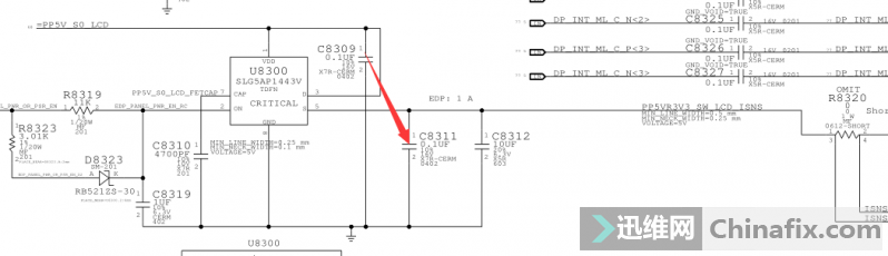
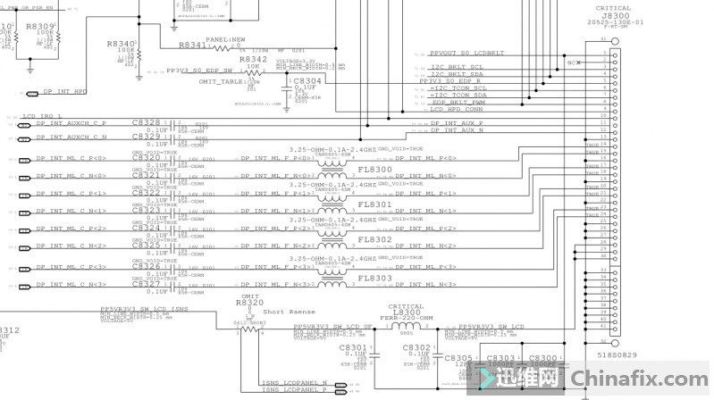
J8300 checked 5 282930 without VCC. Follow the path to find U8310, the input pin is normal, and EN is not turned on, so there will be no output.

Apple a1502 notebook cannot be powered on for repair

Apple a1502 notebook cannot be powered on for repair Figure 2.

Put it aside for the time being, and then check 30. Shunteng touched U8300, and found the same situation. EN didn’t open, and both openings pointed to a door 8330 at the same time. There was no material.

Apple a1502 notebook cannot be powered on for repair

395;IMG_259
Apple a1502 notebook cannot be powered on for repair Figure 3.

418;IMG_260
Apple a1502 notebook cannot be powered on for repair Figure 4.

440;IMG_261

Apple a1502 notebook cannot be powered on for repair Figure 5.

Then apply Solder Mask, adjust the aesthetic treatment, and the boot is all normal. Temporarily solve the emergency.

493;IMG_262

Apple a1502 notebook cannot be powered on for repair Figure 6.