Address
304 North Cardinal
St. Dorchester Center, MA 02124
Work Hours
Monday to Friday: 7AM - 7PM
Weekend: 10AM - 5PM
Address
304 North Cardinal
St. Dorchester Center, MA 02124
Work Hours
Monday to Friday: 7AM - 7PM
Weekend: 10AM - 5PM
Acer e5-511 laptop boot does not respond to repair
Machine model: Acer e5-51
Mainboard version: la-b981p
Fault phenomenon: the laptop does not respond to boot
Maintenance process:
After receiving an ACER notebook, the customer said that there was something wrong with the machine. Maybe it was a loose thread, no water damage or falling.Connect DC power supply power on test, standby 0.23a, current is high, press Switch, no response.Take a look at the machine, the main board obviously into the water.

Acer e5-511 laptop boot does not respond to repair Figure 1.

Acer e5-511 laptop boot does not respond to repair Figure 2.
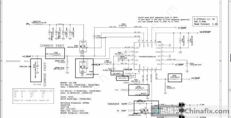
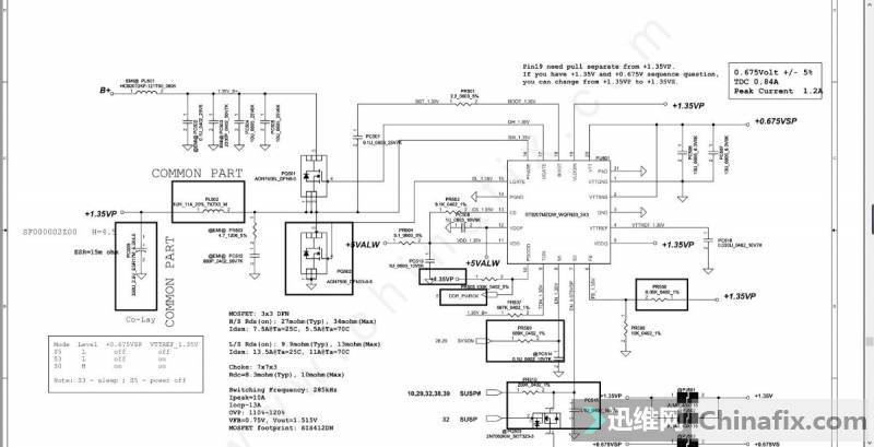
First of all, use Cleaning solvent to clean up all places of water damage corrode on the main board. There is no abnormality found in the whole board. When it is powered on again, the current is still 0.23a, and there is no VCC on the whole board. If you touch the motherboard habitually, your hand will be scalded when you touch the first place. It should be a standby circuit.openXinzhizao SoftCheck the drawing point, this position is 5V standby chip, the chip is syx198.So the chip was not turned on Quick repair query assistant, query found that sy8208b can be replaced.

Quick repair query assistant.
Power on again after replacement, the current is 0.007.

Acer e5-511 laptop boot does not respond to repair Figure 3.
The standby current should be normal, but the pl404 still does not have 5V, is the chip not soldered well?Carefully measure the chip’s VCC 8 pin VCC normal, 1 pin opening VCC normal, 7 pin LDO linear 5V not;Then test the adjacent 3V Inductor pl402 to output 3.3V normally. Visually check the pin bit of the two chips on PAD. By direct comparison, it is found that the LDO of pu401 is the 5th pin, and the LDO of pu402 is the 7th pin.

Acer e5-511 laptop boot does not respond to repair Figure 4.
Open the pin bitmap of sy8208b again. I read it carelessly. The two chips can not be replaced. This is syx198c, only sy8208c.Replace one and power it on again. The current drops to 0.007 after pressing Switch, and the current drops to 0.007 after pressing Switch. If you plug in 3V and 5V again, it is still standby 0.014 after power failure. Press Switch again and it drops to 0.007 without standby. The chip has stable 5V. It is sure that the replacement is correct,There are other problems with the motherboard. Continue to test.Like this instant auto power off,multimeter can not be measured, can only use oscilloscope.SLP was measured first_S3, check whether the bridge works after switch. If the bridge does not work normally, continue to test the standby condition;If the bridge works normally, continue to test the later stage circuit and measure the SLP_S3 has been sent out normally.

Acer e5-511 laptop boot does not respond to repair Figure 5.
Use an oscilloscope to measure the main board of Inductor, press Switch instant,VCC produced, only pl502 does not have VCC, check the drawing.

Acer e5-511 laptop boot does not respond to repair Figure 6.
As you can see, this pl502 has a memory of 1.35v,VCC. After careful observation of the motherboard, it is found that both ends of the main VCC pl501 of this chip have been blackened by corrode, and the pin bit seems to be disconnected. After replacement,switch is again used, and the current is up to 0.279, and it is automatically powered on repeatedly.

Acer e5-511 laptop boot does not respond to repair Figure7.
The current should be normal. According to experience, the CPU did not read the memory Restart repeatedly because the memory was not inserted. However, it was found that although the current came up, the chip did not generate 1.35v normally.Restart repeatedly auto power off was due to the lack of VCC.

Acer e5-511 laptop boot does not respond to repair Figure8.

Acer e5-511 laptop boot does not respond to repair Figure 9.
See this waveform, the obvious overpressure Current protection, here adjusted to 1V, this waveform has reached 3 grids, indicating that the chip output as high as 3V, the motherboard overvoltage Current protection.Let’s look at the g-pole waveform of the upper tube.

Acer e5-511 laptop boot does not respond to repair Figure 10.
There is vibration action, but the output of VCC is wrong,Current protection circuit Current protection.Since the chip can output VCC, it indicates that the chip is working normally, but the output VCC is not correct. Directly measure the 9th pin ton of the chip, and set the frequency of pin. The output of the chip is adjusted by connecting Connect the power supply to B + through the external connection of the 9th pin.

Acer e5-511 laptop boot does not respond to repair Figure 11.
It can be seen from the drawing that the 9th pin ton is connected to B + through 877k resistance. The measured resistance of diode value has reached 15m.

Acer e5-511 laptop boot does not respond to repair Figure 12.
Remove the resistor and find that the bottom PAD has fallen off.

Acer e5-511 laptop boot does not respond to repair Figure 13.
Parts motherboard found a resistance of more than 800 K to replace it. After the PAD was powered on again, the MOS was normally driven and the chip output was 1.35v smoothly.

Acer e5-511 laptop boot does not respond to repair Figure 14.

Acer e5-511 laptop boot does not respond to repair Figure 15.
The current is also up to 0.333, no longer auto power off. Plug in the memory and power on again, and the current is up to 0.52. However, there is no VCC and no waveform in the memory drain measured by the oscilloscope. It indicates that there is no booting up, and there are waveforms in BIOS and SMB, indicating that the CPU has issued instructions to read the memory.

Acer e5-511 laptop boot does not respond to repair Figure 16.
By comparing the waveforms, it seems that there is no memory. BIOS, plug in memory, replace memory socket, and all VCC and signals of the whole board have been tested, and no problem is found.SMD REWORK STATION does not respond to CPU blowing. It is really useless. A friend of Forum Search said that dimm1 or dimm2 can be on sometimes, but not on, and both can be on at the same time,In any case, the fault is more wonderful.So find the test memory, plug dimm1 and dimm2 into the memory, and power on again.

Acer e5-511 laptop boot does not respond to repair Figure17.
The current is directly up to 0.6A, and there is a wave in the memory drain resistance measurement. When connected to the screen, it is finally displayed.

Acer e5-511 laptop boot does not respond to repair Figure 18.
Later, it turned off and turned on again. Then, the test memory was pulled out and only the client’s memory was plugged in. Finally, the Switch machine was tested for dozens of times without any problem. The troubleshooting and maintenance are over.